Grüne energie für weniger CO2 - ausstoß, Schaffen WIR die Ressourcen
Zusammenfassung:
Die hochwertigen kundenspezifischen Produkte bestehen aus super mikrokristallinen Legierungsmaterialien, die alle Arten von Geräten vor hochfrequenten harmonischen Gefahren auf der Benutzerseite schützen können.
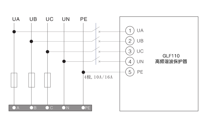
Verdrahtungsmodus Glf110:

Copyright 2017 auf Digital Technology (Shanghai) Co., Ltd. Alle RECHTE vorbehalten